+4917684865334
sales@borgpumps.com
0
0

Your shopping cart is empty!
#
#

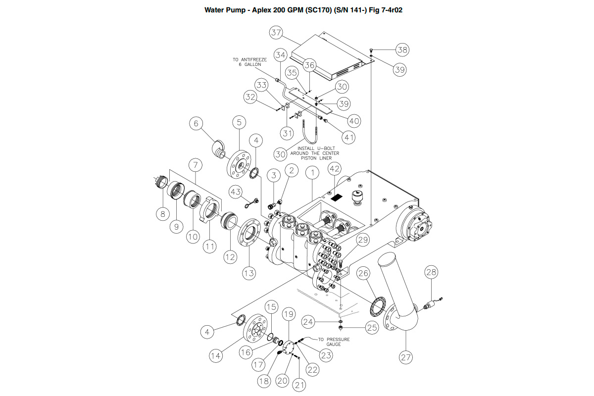
#1 - Frame - power 277780004 Aplex 200 GPM
277780004 Frame - power (в„–1 on pic.) for mud pump on Vermeer D80x100 Series II Navigator Aplex 200 GPM/D130x150 VBM horizontal d..
#2 - Cover - crankcase 277780005 Aplex 200 GPM
277780005 Cover - crankcase (№2 on pic.) for mud pump on Vermeer D80x100 Series II Navigator Aplex 200 GPM/ D130x150 VBM hori..
#3 - Hex hd cap screw 3/8-16x3/4 277780006 Aplex 200 GPM
277780006 Hex hd cap screw 3/8-16x3/4 (№3 on pic.) for mud pump on Vermeer D80x100 Series II Navigator Aplex 200 GPM/D130x150 VBM ..
#4 - Gasket - crankcase cover 277780007 Aplex 200 GPM
277780007 Gasket - crankcase cover (№4 on pic.) for mud pump on Vermeer D80x100 Series II Navigator Aplex 200 GPM/D130x150 VBM hor..
#5 - Plug - 1/2" hex hd 277780008 Aplex 200 GPM
277780008 Plug - 1/2" hex hd (№5 on pic.) for mud pump on Vermeer D80x100 Series II Navigator Aplex 200 GPM/D130x150 VBM horizonta..
#6 - Seal - nitrile rubber 277780009 Aplex 200 GPM
277780009 Seal - nitrile rubber (№6 on pic.) for mud pump on Vermeer D80x100 Series II Navigator Aplex 200 GPM/D130x150 VBM horizo..
#7 - Seal - oil 277780010 Aplex 200 GPM
277780010 Seal - oil (№7 on pic.) for mud pump on Vermeer D80x100 Series II Navigator Aplex 200 GPM/D130x150 VBM horizontal direct..
#8 - Plug - crank shaft 277781025
277781025 Plug - crank shaft (№8 on pic.) for mud pump on Vermeer D36x50 S2/D24x40 S2/D80x100 Navigator horizontal directional dri..
#8 - PolyPack ring-2" ID x 2 3/4" OD 277780011 Aplex 200 GPM
277780011 PolyPack ring-2" ID x 2 3/4" OD (№8 on pic.) for mud pump on Vermeer D80x100 Series II Navigator Aplex 200 GPM/D130x150 ..
#9 - Bolt - connecting rod 277780012 Aplex 200 GPM
277780012 Bolt - connecting rod (№9 on pic.) for mud pump on Vermeer D80x100 Series II Navigator Aplex 200 GPM/D130x150 VBM horizo..
#10 - Connecting rod assembly 277780013 Aplex 200 GPM
277780013 Connecting rod assembly (№10 on pic.) for mud pump on Vermeer D80x100 Series II Navigator Aplex 200 GPM/D130x150 VBM hor..
#11 - Bushing - wrist pin 277780014 Aplex 200 GPM
277780014 Bushing - wrist pin (№11 on pic.) for mud pump on Vermeer D80x100 Series II Navigator Aplex 200 GPM horizontal direction..
Showing 1 to 12 of 246 (21 Pages)
Viewed

Spare parts for mud pump Vermeer Navigator D80x100 S2